NB-IoT无线压力变送器
一、概述:
无线传感器是一款搭载 NB-IoT 模组的无线压力、液位、温压一体的仪表。
适配扩散硅传感器和 PT100 温度传感器。是一款压力,温度采集传输,显示的理想低功耗仪器。适合油田、水利、管网、自来水管网、城市供热管网等智慧城市应用场景。
二、特点:
1.采样低功耗微处理器,NB-IoT 无线通讯,电池供电,低功耗运行,电池 2-5 年(受上传间隔时间影响)。
2.不需网关路由 RTU 等设备,数据直连后台服务器,安装简单;
3.完整而严谨的后台协议,提供简洁的API 接口,可通过 web、PC、Android APP等应用程序方便获取历史数据,保存一年内的运行数据。
4.支持第三方平台的数据接入服务,适合油田,自来水,矿山,水利。参数设置适合集团用户的使用。
5.强耐干扰特性,整机温度特性良好,工作温度范围-30-70 度。
6.可做单独温度,压力,温压一体无线变送器。内置报警设置和面板报警灯。
7.曲线拟合校准温度和压力曲线,呈现压力和温度特性,高稳定性。
8.IP65 以上高防护等级,适合野外场合。
9.用户现场按键校准功能。支持用户二次校准变送器。
10.多种应用软件硬件支持,数据传输解决方案,客户应用软硬件支持。
三、技术参数
|
参数 |
指标 |
参数 |
指标 |
|
量程范围 |
0~60MPa 可定制 |
精度等级
|
0.5%F.S
|
|
过载压力 |
150%F.S |
信号传输 |
NB-IoT
|
|
电源电压 |
3.6V |
电池容量 |
19Ah |
|
工作温度 |
-30-70℃ |
储存温度 |
-40~85℃ |
|
工作频段 |
Band5 或Band8
|
无线协议 |
LWM2M+CoAP,
UDP |
|
采集间隔
|
1-3600 秒可设置 |
上传间隔 |
1-3600 秒或特
殊定制 |
|
安装螺纹 |
M20*1.5 |
接口材质
|
不锈钢
|
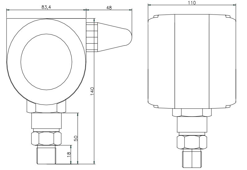
四、外型结构







